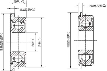
法蘭軸承產品結構圖
說明:
1,開式軸承是指不帶任何密封蓋的軸承。
2,封閉式軸承指軸承兩邊帶密封蓋,ZZ表示兩邊帶金屬蓋,客戶可以根據自己的要求選擇不同的密封蓋。
3,同一個尺寸的軸承,客戶可以選擇不同的材料,等級。
4,以下尺寸為按國際標準的軸承的基本尺寸,如客戶有不同的要求,我們可以定做。
5,相同的軸承有各種不同的代號和叫法,請確認自己需要的軸承的尺寸。
| 型號 Type *點擊型號查看詳情 | 內徑 Bore Diameter | 外徑 Outer Diameter | 法蘭外徑 Flange Diameter | 寬度 Width | 法蘭寬度 Flange Width | 基本額定動負荷 Cr(N) Load Rating Cr(N) | 基本額定靜負荷 Cor(N) Load Rating Cor(N) | 允許回轉數 Max.Speed | ||||
| 潤滑脂 Grease | 潤滑劑 Oil | |||||||||||
| OPEN | zz | OPEN | zz | OPEN | zz | *1000rpm | ||||||
| f682zz | 2 | 5 | 6.1 | 6.1 | 1.5 | 2.3 | 0.5 | 0.6 | 169 | 50 | 85 | 100 |
| mf52zz | 5 | 6.2 | 6.2 | 2 | 2.5 | 0.6 | 0.6 | 169 | 50 | 85 | 100 | |
| f692zz | 6 | 7.5 | 7.5 | 2.3 | 3 | 0.6 | 0.8 | 330 | 99 | 75 | 90 | |
| mf62zz | 6 | 7.2 | 7.2 | 2.5 | 2.5 | 0.6 | — | 330 | 99 | 75 | 90 | |
| mf72zz | 7 | 8.2 | 8.2 | 2.8 | 3 | 0.6 | 0.6 | 389 | 129 | 63 | 75 | |
| f602zz | 7 | 8.5 | 8.5 | 2.8 | 3.5 | 0.7 | 0.9 | 389 | 129 | 60 | 71 | |
| f682Xzz | 2.5 | 6 | 7.1 | 7.1 | 1.8 | 2.6 | 0.5 | 0.8 | 209 | 74 | 71 | 80 |
| f692Xzz | 7 | 8.5 | 8.5 | 2.5 | 3.5 | 0.7 | 0.9 | 389 | 129 | 63 | 75 | |
| mf82X | 8 | 9.2 | 9.2 | 2.5 | — | 0.6 | — | 558 | 180 | 60 | 67 | |
| f602Xzz | 8 | 9.5 | 9.5 | 2.8 | 4 | 0.7 | 0.9 | 552 | 177 | 60 | 71 | |
| mf63zz | 3 | 6 | 7.2 | 7.2 | 2 | 2.5 | 0.6 | 0.6 | 209 | 74 | 71 | 80 |
| f683zz | 7 | 8.1 | 8.1 | 2 | 3 | 0.5 | 0.8 | 311 | 112 | 63 | 75 | |
| mf83zz | 8 | 9.2 | 9.2 | 2.5 | 3 | 0.6 | — | 395 | 141 | 60 | 67 | |
| f693zz | 8 | 9.5 | 9.5 | 3 | 4 | 0.7 | 0.9 | 558 | 180 | 60 | 67 | |
| mf93zz | 9 | 11.2 | 11.6 | 2.5 | 4 | 0.6 | 0.8 | 571 | 189 | 56 | 67 | |
| f603zz | 9 | 10.5 | 10.5 | 3 | 5 | 0.7 | — | 571 | 189 | 56 | 67 | |
| f623zz | 10 | 11.5 | 11.5 | 4 | 4 | 1 | 1 | 631 | 219 | 50 | 60 | |
| mf74zz | 4 | 7 | 8.2 | 8.2 | 2 | 2.5 | 0.6 | 0.6 | 255 | 108 | 60 | 67 |
| mf84zz | 8 | 9.2 | 9.2 | 2 | 3 | 0.6 | 0.6 | 395 | 141 | 56 | 67 | |
| f684zz | 9 | 10.3 | 10.3 | 2.5 | 4 | 0.6 | 1 | 641 | 227 | 53 | 63 | |
| mf104zz | 10 | 11.2 | 11.6 | 3 | 4 | 0.6 | 0.8 | 711 | 272 | 48 | 56 | |
| f694zz | 11 | 12.5 | 12.5 | 4 | 4 | 1 | 1 | 957 | 350 | 48 | 56 | |
| f604zz | 12 | 13.5 | 13.5 | 4 | 4 | 1 | 1 | 957 | 350 | 48 | 56 | |
| f624zz | 13 | 15 | 15 | 5 | 5 | 1 | 1 | 1301 | 488 | 40 | 48 | |
| f634zz | 16 | 18 | 18 | 5 | 5 | 1 | 1 | 1340 | 523 | 36 | 43 | |
| mf85zz | 5 | 8 | 9.2 | 9.2 | 2 | 2.5 | 0.6 | 0.6 | 218 | 90 | 53 | 63 |
| mf95zz | 9 | 10.2 | 10.2 | 2.5 | 3 | 0.6 | 0.6 | 431 | 169 | 50 | 60 | |
| mf105zz | 10 | 11.2 | 11.6 | 3 | 4 | 0.6 | 0.8 | 431 | 169 | 50 | 60 | |
| mf115zz | 11 | 12.5 | 12.5 | — | 4 | 0.8 | 1 | 716 | 282 | 45 | 53 | |
| f685zz | 11 | 12.5 | 12.5 | 3 | 5 | 0.8 | 1 | 716 | 282 | 45 | 53 | |
| f695zz | 13 | 15 | 15 | 4 | 4 | 1 | 1 | 1077 | 432 | 43 | 50 | |
| f605zz | 14 | 16 | 16 | 5 | 5 | 1 | 1 | 1329 | 507 | 40 | 50 | |
| f625zz | 16 | 18 | 18 | 5 | 5 | 1 | 1 | 1729 | 675 | 36 | 43 | |
| f635zz | 19 | 22 | 22 | 6 | 6 | 15 | 15 | 2336 | 896 | 32 | 40 | |
| mf106zz | 6 | 10 | 11.2 | 11.2 | 2.5 | 3 | 0.6 | 0.6 | 496 | 218 | 45 | 53 |
| mf126zz | 12 | 13.2 | 13.6 | 3 | 4 | 0.6 | 0.8 | 716 | 295 | 43 | 50 | |
| f686zz | 13 | 15 | 15 | 3.5 | 5 | 1 | 1.1 | 1082 | 442 | 40 | 50 | |
| f696zz | 15 | 17 | 17 | 5 | 5 | 1.2 | 1.2 | 1340 | 523 | 40 | 45 | |
| f606zz | 17 | 19 | 19 | 6 | 6 | 1.2 | 1.2 | 2263 | 846 | 38 | 45 | |
| f626zz | 19 | 22 | 22 | 6 | 6 | 1.5 | 1.5 | 2336 | 896 | 32 | 40 | |
| mf117zz | 7 | 11 | 12.2 | 12.2 | 2.5 | 3 | 0.6 | 0.6 | 455 | 202 | 43 | 50 |
| mf137zz | 13 | 14.2 | 14.6 | 3 | 4 | 0.6 | 0.8 | 541 | 276 | 40 | 48 | |
| f687zz | 14 | 16 | 16 | 3.5 | 5 | 1 | 1.1 | 1173 | 513 | 40 | 50 | |
| f697zz | 17 | 19 | 19 | 5 | 5 | 1.2 | 1.2 | 1605 | 719 | 36 | 43 | |
| f607zz | 19 | 22 | 22 | 6 | 6 | 1.5 | 1.5 | 2336 | 896 | 36 | 43 | |
| mf128zz | 8 | 12 | 13.2 | 13.6 | 2.5 | 3.5 | 0.6 | 0.8 | 543 | 274 | 40 | 48 |
| mf148zz | 14 | 15.6 | 15.6 | 3.5 | 4 | 0.8 | 0.8 | 817 | 386 | 38 | 45 | |
| f688zz | 16 | 18 | 18 | 4 | 5 | 1 | 1.1 | 1252 | 592 | 36 | 43 | |
| f698zz | 19 | 22 | 22 | 6 | 6 | 1.5 | 1.5 | 2237 | 917 | 36 | 43 | |